產品名稱:
壓機管理機器人
型 號:
IRB 6660
價 格:
0.00
品 牌:
ABB
性能優化的壓機管理機器人那
IRB 6660主要目標是為壓機管理應用提供更快的機器人解決方案。
考慮到工件傳輸操作, 縮短壓機占用時間尤為重要。通過提高機器人速度,壓機產量將會大大提高。
- 優化壓機管理
剛性設計及較長可達距離,完美應對高性能壓機管理。
更高精度和正常運行時間。 - 快速機器人
速度快,壓機內節拍時間可縮短15%。
- 效率高
使用該高速機器人後,整體節拍時間大大改觀,產量增加
- 生命周期長
多數齒輪箱加固,壓機管理的生命周期延長。
采用久經考驗的IRB6600家族通用部件,創造新一款值得信賴的機器人
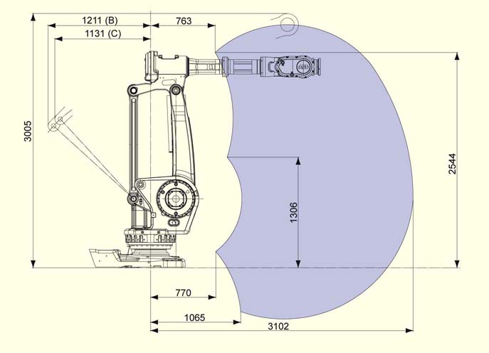
| 機器人型號 IRB |
到達距離 | 承重能力 | 軸數 | 防護等級 | |
| 6660 | 3.10 m | 130 kg | 6 | IP 67 | |
| 可安裝額外載荷 上臂20 kg,130kg載荷 | |||||
| 軸運動: | |||
| 軸 |
|
最大速度 | |
| 軸1旋轉 |
|
110°/s | |
| 軸2臂 |
|
130°/s | |
| 軸3臂 |
|
130°/s | |
| 軸4腕 |
|
150°/s | |
| 軸5彎曲 |
|
120°/s | |
| 軸6翻轉 |
|
240°/s | |
工作域 - 壓機管理 IRB 6660
主要應用:
壓機管理
物料搬運
上下料


